GWR 2-6-0 Mogul (sort of!)

30/5/2015

This was another job I was asked if I would do a few weeks ago. It's a 5 inch gauge GWR Mogul that needed a rebuild and a complete repaint. Fortunately, I don't have to do most of the painting as someone else will be doing that.

It looked a bit of a mess and the tender that came with it was far too short and was to be replaced but I thought it would be an interesting job. Unfortunately, I didn't take any photos before I stripped it down as I wasn't going to record the job but have decided to anyway as it may be of interest.

I had assumed it was to the Keith Wilson design but looking at the GA for that I noticed that the safety valve and top feed was too far back on the boiler. It also looked very much like it had been built from a kit although I was sure that no-one had ever done a kit for the Mogul. I also realised eventually that the driving wheels were an inch smaller that they should be and the splashers on the running boards were just dummies as the wheels were too small to protrude through the running boards.

After much thought and searching around it dawned on me that it was actually a Winson/Modelworks 2-6-2 Prairie tank loco that someone has hacked about to convert it into a Mogul. Oh dear I thought! That's why the wheels are too small and the safety valve is in the wrong position for a Mogul. The rear section of the frames has been sawn off ( very roughly!) and the rear pony truck dispensed with. I think it would probably have been better if it had been left as a Prairie but too late now.

I took the boiler off and that looks ok although I haven't looked at it closely yet, then stripped down the frames completely. Everything was absolutely filthy, most of the fixings were loose and some missing altogether. Whoever owned this loco abviously didn't take much care of it.

I had noticed that the loco wouldn't push along and I assumed that the pistons had seized in the cast iron cylinders as the loco presumably hadn't been run for a long time. It turns out that someone had fitted new bushes in the coupling rods on one side of the loco and also a new big end bush in the connecting rod. These were so tight on the crankpins that they were virtually seized and I had a hell of a job to get them off. Unfortunately the driving wheel crankpin is badly scored so will have to be replaced. Some of the other crankpins don't look too good either.

After using a gallon of paraffin I managed to get everything clean (and half a gallon of Swarfega Orange to get my hands clean again!) and then stripped all the paint off everything ready for the rebuild. For most parts I use caustic soda (sodium hydroxide) solution which makes a very good paint stripper but needs handling with care. It works even better if you can heat it up but take care not to breath the fumes. The modern 'Green' paint strippers seem to be pretty useless nowadays, hence the DIY version. I've got various old saucepans and big tin cans that I can put the smaller bits in on the gas cooker to heat the solution. The cooker hood on full gets rid of the fumes. Don't try this if you are married or have a partner. I don't think it would go down very well with the other half! The frames were much too big for the paint stripper treatment so I used a hot air gun and a scraper to strip those.

Word of caution - DON'T USE CAUSTIC SODA WITH ALUMINIUM AS IT WILL DISSOLVE IT!! I use Universal Thinners for stripping paint off aluminium and smaller items such as nuts and bolts. The main castings on the frames are aluminium so they received the thinners treatment.

One of the frame plates was shaped like a banana so received suitable treatment with a rubber mallet and a flat surface to get it straight again. The frames were then reassembled with new bolts where necessary and threadlock used on anything that might work loose, especially the bolts holding the hornblocks on. All the fixings are metric on these kits and of course I only have BA stuff so had to get in a supply of suitable metric nuts and bolts. Mind you, the metric ones are really cheap compared to BA so they didn't cost much. The only problem is that the normal metric stuff tends to have very large heads which look out of place on a model but you can buy specialised metric nuts and bolts with much smaller heads which would look far better. However, I think the price of those is comparable to BA stuff so I don't really see the point of using them unless you insist on only using metric.

 

Frames back together and partially primed

 

The rear drag box on the frames is the original aluminium casting shortened and turned upside down. The pivot pin for the tender drawbar was just a bolt threaded into the bottom of the casting with no support at the top. I added a piece of steel angle so the pin can drop through that and the bottom of the drag beam. Much stronger.

The original threaded hole was way off centre so I drilled it out and fitted a steel bush to bring it back to the correct position.

The original drag beam was the old rear Prairie buffer beam again just turned upside down. It still had all the holes in it for the rear buffers (another clue of the locos origins) so I scrapped that and made a new one.

 

The front buffer beam is ok but I replaced the rivets holding on the buffer stocks with bolts which looks much better. The stocks are in two parts, the barrel and the square mounting plate, held together with a bit of threaded tube. The threads on these tubes were badly mangled so they were replaced. The steps on the stocks had been glued on any old how so I refixed those with soft solder paste. It's a shame that the kits used such enormous rivets on the beams as they look grossly out of scale but that's not my problem.

 

 

After reassembling the frames I noticed that the top of the mounting flanges on the cast aluminium saddle were higher than the top edge of the frames which prevented the running boards fitting properly. I finished up machining the tops flush with the frames to stop any problems later but it would have been easier to do this before I had fitted the saddle to the frames. It wasn't easy clamping the completed frames to the milling machine!

Out of interest I decided to have a look at the valve gear design to see what it was like. For those that don't know, the Winson/Modelworks Prairie is based on the Martin Evans Firefly design that appeared in Model Engineer back in 1961, in fact it looks like a direct copy. I dug out all the relevant copies of ME and put all the dimensions in the simulators. The basic design is not brilliant, the main problem being that the offset of the suspension point on the dieblock is not far enough back from the slot. It's given as 0.078125" but needs to be something like 0.17" to get reasonably equal valve events. I didn't spend a lot of time on it as I was more interested in the actual valve gear on the loco I have but changing the offset as mentioned gives virtually perfect results in reverse gear but not so good in forward gear. More tweaking would sort that out.

(Note - I had another play with the valve gear and the forward gear valve events can be improved at the detriment of the reverse gear by either moving the weighshaft further back by say 0.25" or shortening the lifting arm on the reversing shaft. Shortening the lifting arm means that more travel is needed on the reverser though)

I then started measuring up the parts on this loco as best I could to see how it compares to the Firefly design. The first thing I noticed was the suspension bracket on the expansion links had been fitted incorrectly - it was the wrong way round..

Spot the deliberate mistake!

The threaded hole in the bracket for the suspension pin needs to be towards the back of the slot, not the front. This would have really messed up the valve events!

 

How the bracket should be

I wonder if the error was due to the original builder or the instructions?

I then found that the eccentric rods were quite a bit longer than for Firefly. Firefly's are 3.3125" long but these were about 4.1", approximately 0.7875" longer.

 

 

I assumed that for some reason, the Winson/Modelworks designer had extended the eccentric rods for some reason (unless these are not original?). I therefore assumed that the radius of the slot in the expansion link had been altered to suit. Wrong! When I checked the radius of the slot, it was the same as Firefly. So, we have the expansion link being driven by eccentric rods that do not match the radius of the slot! I then checked all the other parts and the positions of the weighshaft etc. on the frames and it all matches Firefly. We have a Firefly valve gear with the wrong eccentric rods. Heavens knows what the valve events are like. The wrong rods plus the wrongly assembled brackets on the expansion links must have made the valve events absolutely dreadful.

The longer eccentric rods also push the expansion link too far forward so the suspension link from the lifting arm on the weighshaft and the hanger link for the valve rod are inclined forwards whereas they should be pretty much vertical, although it can be beneficial sometimes to have the suspension link inclined to improve valve events.

The eccentric rods are separate to the eccentric strap and only held with a single screw so it's no problem to shorten the rods to the correct length. However, it will mean making new valve rods from the die block to the rocker arm as they have been shortened to take into account the wrong position of the expansion links.

The eccentric rods appear to be a casting and look exactly like those on the Polly range of locos. I was told that when John Clarke sold the original Polly range,Winsons bought the designs and remaining parts off him and then Polly Engineering bought them off Winsons when they went bust. That could explain why some parts are very similar. The lifting arm on the reverser shaft is the same as on the Pollys i.e. a solid lump of brass.

I haven't checked the eccentric positions as they are pinned to the driving axle and it would be difficult to alter them. Just have to hope they are correct!

The eccentric straps are a bit of a loose fit on the eccentrics so I'll try and tighten those up a bit before I fit them again. I can get rid of the play in the forwards and backwards direction by machining a bit off the mating faces of the two halves of the straps but can't do a lot about the vertical play. Neither the straps or the steel eccentrics look particularly worn so the straps were probably a loose fit to begin with.

The cylinders are machined out of solid lumps of cast iron as per Winson/Modelworks practice. I've checked the bores and they seem to be round and parallel, unlike some I've read about! The finish looks ok apart from a bit of rust easily removed with fine emery paper. The port faces are a bit pitted and scored so those will get a clean up before refitting.

 

 

The steam passages from the ports to the cylinders are a bit on the small side - just two 1/8" diameter holes which won't help the breathing of the cylinders.

 

 

The pistons are about 0.035" too small in diameter to fit the bores so I'll be replacing those. Don't know if that was intended or just the result of poor machining. They are fitted with silicon O rings which are very badly worn and need replacing. Silicon is not the best material for piston rings so they will be replaced with Viton. Ideally, it would be nice to fit proper cast iron rings but I don't want to go to all the trouble of making some.

 

 

The valves are pretty crap with poorly machined exhaust cavities and bits soldered on the ends to alter the length.

 

 

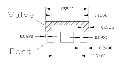
I've measured up the valves and the dimensions are completely wrong for the ports. The exhaust cavity should be 0.94" long to match the inside edges of the ports and it's 1.125" on one valve and 1.110" on the other! That gives a huge amount of exhaust lap (about 0.09"). The valves only give about 0.068" steam lap - to suit the valve gear it should be 0.15625".

 

 

In fact, the end faces of the valve are narrower than the ports (ports are 0.24" wide, the valve lands are only 0.216" wide) so for part of the valve travel the ports would be open to both steam and exhaust and steam would escape straight from the steamchest to the exhaust port!

 

 

There may be another problem besides the valves. The Firefly valve gear was designed to suit ports that were 0.15625" wide but the ports on these cylinders are 0.24" wide. Unless the throw of the eccentrics has been increased to suit the wider ports the valve travel will be insufficient. That may be why the valves have very little lap as there isn't enough valve travel to give the required lap. I obviously need to check the throw of the eccentrics.

I'm beginning to think that whoever built or modified this loco hadn't any real idea of what they were doing! Why do I always seem to finish up with everyone elses crap?

01/06/2015

Yesterday I replaced all the crankpins in the wheels with new ones made from 10mm silver steel. Three of the originals could have been used again but I thought I may as well change all 6 while I was at it. The old ones were Loctited in but were easy to tap out with a punch once the pins had been heated to blue with the gas torch. The new ones were Loctited back in which reminds me that my stock of retaining compound is getting very low.

 

Wheels with new crankpins

 

Todays job was to get the eccentric straps sorted out and improve the fit on the eccentrics. Measuring the diameter of the eccentrics showed them to all be pretty much the same size so I made a plug gauge from a bit of scrap steel. I thought it would be easier to use the gauge rather than fiddling about fitting the straps to the eccentrics every time I wanted to test the fit.

 

 

The idea was to skim a few thou off the bolting faces of the two halves of the eccentric straps to reduce the bore in the fore and aft direction. There wasn't much I could do about any vertical play although I suppose you could bolt the two halves together and squeeze them gently in the vice to close the bore up vertically and then machine the bolting faces.

The strap halves were clamped vertically in the milling vice with the bolting face horizontal (checked with a dial indicator in the milling chuck) and a skim taken off the faces. The first pair came out pretty close first time around and were just a little too tight on the gauge. I then 'ran it in' by putting the wheel assembly in the lathe between centres, oiling the eccentric, fitting the strap, and then running the wheels slowly whilst holding the eccentric rod (which I refitted temporarily to make holding the eccentric easier). I had previously polished the eccentrics with some 1200 grade carborundum paper to get rid of any roughness on the running surfaces. It didn't take long to get a nice smooth running fit.

The second strap wasn't so easy as the bore tapered from one side to the other as if the strap had not been running square to the eccentric. This time I took more off the bolting faces to close the bore up quite a bit and then rebored it by setting it up in the 4 jaw chuck.

 

 

Setting the strap to run truly was fun as the bore was now oval rather than round but I managed to get it pretty close using a dial indicator. It was a case of get the front and rear surfaces of the bore centralised on the lathe axis and then the top and bottom. You also have to be very careful not to grip the strap too tightly otherwise you will distort it. Small cuts with a very sharp boring tool was the way to go to avoid moving the strap.

I wasn't sure how well this would turn out as the original bore was quite badly tapered but it came out much better than I expected with the 'new' bore covering about three quarters of the surface. There were just two small areas at the top and bottom of the strap adjacent to the bosses that didn't clean up but there is very little load on these areas so no real problem. Most of the work is done by the front and rear surfaces of the bore.

The last two eccentric straps went smoothly as the bores were nice and parallel and only required a skim off the bolting faces like the first one. I made them all a little tight to begin with and then bedded them in on the lathe as for the first one. I'm not quite sure what material these straps are made from but they do look like gunmetal castings and not brass.

I've just dashed out to the workshop in the pouring rain (hang on, it's June - it should be summer!!) and measured the throw of the eccentrics. It's slightly under 0.5" which is far too small. It should be 0.625" for Firefly and even more to suit the oversize ports! It also looks as though the eccentrics have been set at 180° apart and at 90° to the cranks so there is no angle of advance. Everything is completely wrong! Who on earth designed this valve gear?

I've got real problems now. The position of the eccentrics obviously needs to be altered but they are pinned to the axle and the ends of the pins are recessed in the eccentrics so can't be got out without drilling them out. Even if I get the pins out the eccentric throw is still wrong and the only cure for that is new eccentrics. I think this would mean larger diameter eccentrics which would mean new eccentric straps as well! What a *@#&* mess!

02/06/2015

I've had a better look at the eccentrics this morning. They are not at 180° after all but the angles between them and the crankpins seem purely random! (I looked at the angles by using the very scientific way of screwing taps into the grub screw holes and looking at the angles of those!). I assumed initially that the eccentrics would have been set by a pre drilled dimple or something in the axle for the securing grub screw to locate in (like the Polly kit locos) but it looks as though these have been set by hand and obviously completely wrong. Unless, of course, they were set up wrong from the factory? I don't have access to the building instructions for the Prairie which would have been useful.

Actually, having just looked again, the eccentrics seem to be drilled all the way through and fitted with taper pins so it should be possible to knock the pins out with a punch. This doesn't help the fact that the eccentric throws are too small but at least I might be able to move the eccentrics.

Just been out in the workshop and I managed to get the pins out of the eccentrics. They had been Loctited in so I had to heat everything up to release them. The pins are just parallel ones and not tapered, probably the reason they had been Loctited. The grub screws do go into predrilled holes and I reckon that was possibly done at the factory. The dimples are larger in diameter than the threaded hole for the eccentric grub screws so they must have been drilled before the eccentrics were fitted and not afterwards. Maybe the axle came with the eccentrics already fitted? One of the wheels are going to have to come off the axle so I can remove the eccentrics. More heat required!

What I'm thinking of now is to try and increase the throw of the eccentrics to the same as on Firefly (0.625") and then make new valves to suit. It won't matter that the ports won't open fully to steam as they are wider than they should be anyway.

The centre of the axle is actually larger in diameter than the journals so I can reduce that down to the journal size which will mean the eccentrics can have a smaller bore through them which will help if I am going to increase the throw. I don't particularly want to make a new axle as it has keyways cut at the ends for quartering the driving wheels and I don't want to faff around cutting those.

The eccentrics could be replaced but as I've made the straps a good fit on them now it would be a shame to scrap them. I can Loctite a plug into the existing bores and then rebore them to give the increased throw. That will be quicker than making new eccentrics from scratch anyway. This jobs taking more time than it should do as it is!

03/06/2015

I managed to get one wheel off the driving axle using heat to break the Loctite bond and then I could remove the eccentrics. I left the other wheel on as it didn't really need to come off and would give something to drive the axle when I machined it. The axle was mounted between centres and I adapted a spare chuck backplate by drilling a hole in it to match the crankpin on the remaining wheel. This backplate has been used several times before for machining wheels etc. It had plenty of holes in it already but, of course, none in the right place for this job! Before this I Loctited some lengths of steel bar into the pin holes in the axle, just to fill up the holes and make it easier to drill new ones if I decide to refit the pins through the eccentrics

As mentioned above, the centre of the axle is larger in diameter than the journals so it was turned down to a thou or two larger than the journal diameter.

 

 

I noticed when I was doing this that the lathe (the ML7) is turning very slightly tapered so I need to make some test bars and get it set up properly at some time in the future.

The bores in the eccentrics were then fitted with steel plugs machined to fit and then Loctited in ready for the new offset bores to be machined. I tried silver soldering the first plug in but it didn't take at all for some reason so that's why I went with Loctite instead. Should be ok.

 

 

To mark out the position of the new bore I first needed to find the centre of the eccentric. I did this by holding the eccentric in my most accurate 3 jaw chuck and then spotting the centre using a piece of silver steel with a machined point on the end (it should be plenty accurate enough for this job). You just use it like a centre drill but it only makes a tiny indentation. Actually, it's the tool I use for centring injector cone blanks when drilling them. Conventional centre drills are much too big for this job.

 

 

I then scribed a line through this dot and the centre of the plug, marked off 0.3125" from the centre dot for the new throw, and then carefully dot punched the new bore centre. It was then just a case of centring the dot for the new bore in the four jaw chuck and drilling and boring the hole to size.

Well, the Loctite wasn't ok unfortunately. When I was nearing the end of machining the first bore the plug came loose. I wasn't that surprised really as the new bore cut through the side of the plug making it crescent shaped. When I looked at it, the Loctite was still wet so it hadn't gone off properly despite being left for over 24 hours. It could have been that the Loctite was old or the gap was a bit big and it needed more time to go off. I had noticed that the original bores of the eccentrics were tapered slightly so the gap was bigger on one end of the plug than the other.

In the end I decided to remove the rest of the plugs and enlarge the original bores in the eccentrics to take a larger diameter plug so that the new bore remained entirely within the plug rather than split it. I should have done this in the first place I suppose but I didn't want to make the bore any bigger if I could avoid it as it's already quite close to the edge of the eccentric. Bit annoying really as it's wasted quite a few hours work. I ordered some new Loctite yesterday as I was getting low and that should be here tomorrow so I'll wait until that arrives before fixing the new plugs rather than risk using the old stuff again.

When I was machining the bores to the larger diameter I realised that the eccentrics are cast iron and not steel as I first thought. I'll have to be careful when I refit them not to overtighten the grub screws as I've known cast iron eccentrics to break if you are a bit heavy handed as the narrow part opposite the grub screw can be quite weak.

 

Previous Page Page 2