LBSC Green Arrow

2

10/04/2020

Made a start on the outside cylinder castings tonight. As mentioned before, these are actually for the Martin Evans Nigel Minor (GNR 2-8-0) but they are very similar to the Green Arrow ones. They have been cast from original Dave Goodwin patterns and are of very good quality, unlike some you get nowadays. The core hole for the bore is very round and central and all the flat surfaces seem to be pretty true.

It's always a bit of a puzzle where best to start machining cylinder castings but I decided to begin by skimming the port face and the bolting face just to get them flat and square to each other. I'll finish them to final dimensions once the bore has been machined.

The first operation was to clean up the bottom edge of the bolting face with a file to get it flat and then give the bolting face a quick rub on some emery cloth to get that flat as well. It was a sign of how good the castings are that very little work was needed on either face.

The casting was then set up in the milling vice with the bolting face against the fixed jaw and the bottom edge resting on a parallel. A piece of thin plastic (a length cut off a cable tie) was put between the casting and the moving jaw of the vice. This ensures that the bolting face is clamped flat against the fixed jaw. If you try clamping it with just the moving jaw on it's own there's a good chance that the casting will be tilted slightly and not held square. A lot of machinists use a bit of soft aluminium welding rod for this purpose but I don't have any.

The port face was then trued up flat with a 12mm endmill. I took about 0.040" off altogether. There is still a small pit left in one of the cylinders but there is still quite a lot to eventually come off for finishing.

 

 

The casting was then replaced in the vice with the now machined port face against the fixed jaw and the bolting face sitting on a piece of 0.25" square brass to act as a parallel (my smallest normal parallel was too tall). Again, the bit of plastic was used to clamp the casting in the vice.

I then skimmed a little off the top edge of the outside of the casting to make it parallel with the bolting face. Fortunately, this edge has the 'Goodwin' name cast on it so I just skimmed that down until it was flat.

 

 

That was all that I had time for but the next step will be to turn the casting over and skim the bolting face. I will then have two flat surfaces at 90° to each other.

12/04/2020

Once the bolting face was milled I was ready to mount the cylinder blocks in the lathe and bore them using a Keats type angle plate bolted to the faceplate. I've used this method on several occasions for boring cylinders and it works well.

However, before mounting the cylinders I decided to check the squareness of the angle plate itself as this angle plate has a bit of a history. I bought it way back in 2006 when I was machining the cylinders for Helen from a well known model engineer supplier. I used it straight out of the box and this was a big mistake. I naively assumed that because it came from a well known UK supplier then it would be ok. It was only after I ruined the first inside cylinder for Helen that I found out that the Vee surfaces were not square to the bolting face, nothing like in fact, and when I bored the cylinder, the bore was at an angle to the cylinder block. As I had spent a lot of time fabricating this cylinder I was not best pleased as you can imagine! I should have sent the angle plate back but as I needed it I devised a way to true it up by clamping it to a machined bar in the chuck and then skimming the bolting face. I assumed that this would then result in the bolting face now being square to the surfaces of the vee and I've used it like this ever since.

Anyway, I decided to check it properly and bolted it to my small faceplate and then ran an indicator along the length of the vee faces. Any deviation on the indicator would show that the face was not at 90° to the bolting face. To my surprise, although one of the faces was true within 0.001", the other was out by about 0.010". That meant that all the cylinders I had machined using this angle plate would have had bores at a slight angle to either the bolting face or the port face.

I decided to try truing the plate up again using the same method as before and see what happened. I had a bit of 40mm cast iron bar so chucked that in the four jaw, got it to run reasonably true, centre drilled the end and fitted the live centre. I then took a skim off the outside of the bar so that it ran true. The angle plate was clamped to it and the bolting face skimmed again.

 

 

 

I had to remove about 0.015" to get it faced all the way across.

It was then bolted to the faceplate again and the vee faces checked with the indicator. Again, one face was within 0.001" but the other was now out by 0.015"! This is the same face that was out last time. What on earth's going on! I don't see how it can have finished up out of square by so much again. The bolting face is perfectly flat so that's not distorting when it's bolted to the faceplate and surely the bolting face must be at 90° to the machined surface of the bar that it was clamped to and hence 90° to the vee faces? Maybe the two faces of the vee are not true to each other?

Because this method obviously isn't working I'm going to have a go at truing it up in the mill instead which is perhaps what I should have done in the first place.

14/04/2020

The first job I did on the angle plate was to mill a relief slot in the middle of the vee faces with a 4mm cutter. The original corner of the vee was rounded so that you couldn't clamp anything with a sharp corner without using some packing between the faces. All vee blocks etc. usually have this slot.

 

 

The next job was to mill both of the vee faces at right angles to the bolting face and also to each other. I couldn't hold the job very securely in the vice to do this so bolted it to an angle plate on the bed. I ran the indicator across the first face to get it parallel to the bed and then milled it with a 12mm endmill.

 

 

This first face was the one that was 0.015" out so I had to take a good cut to clean it up all over.

The plate was then turned around by 90° to cut the second face. For some reason I couldn't get two bolts in this time to clamp the plate to the angle plate with the face level to the bed so had to use one bolt and a G clamp. Before tightening everything up I ran the indicator up and down the previously cut face to get it truly vertical. Then, hopefully, the second face would end up at exactly 90° to the first.

 

 

This face just needed a very light skim as it was only about a thou out of true.

After milling I put the angle plate on the surface plate and checked the vee faces with a square and they seemed spot on this time. I tried one of my cylinder castings in the vee and it fitted perfectly without any rock so I must have got the vee at 90°.

When I looked at the plate it was obvious why I could get two bolts in it for the first set up but only one for the second - the mounting holes were offset to one side of the plate!

 

 

When I fitted the angle plate back onto the lathe faceplate and did a check with the indicator, both of the vee faces were within 0.001" over 1.75". Not perfect but probably as good as I will get using the method that I did. It's good enough for what I want anyway. When I come to finish the bolting faces and the port faces of the cylinders I will reference them to the bore when I set them up.

I can now get back to boring the cylinders after this unexpected diversion!

15/04/2020

I heard the sad news today that Don Ashton of valve gear fame passed away last Sunday after being in hospital for the last few weeks. We corresponded a few times over various valve gear topics and I met him in person at the Midlands exhibition a few years ago. A thoroughly nice chap always willing to help anyone with valve gear design etc. He'll be missed.

Onward with the boring bit!

I clamped the first cylinder casting in the angle plate and then needed to get the bore running reasonably true. The core hole in the castings is very clean and round and near enough 0.0625" diameter so I cleaned it up at the end with a 0.625" reamer, just to take any high spots off. I then put a length of 0.625" brass bar in the tailstock chuck and used that to centre the bore. I had to turn down the end of the bar to 0.5" first though to fit in the chuck. This method is simple and plenty accurate enough for what I need.

 

 

I then took a light cut through the bore with a carbide boring bar to see how it cleaned up. There is not a lot of material to take off to bring the bore to the final size of 0.6875", only 0.0625", so I took it easy. The first cut cleaned the bore up over about 3/4 of the bore so I took another 0.010" cut. This cleaned up all the bore but I noticed that there were a few pits still left in the middle. I took another 0.010" cut and fortunately all the pits had gone leaving 0.015" on the diameter to reach final size. Let's hope the second cylinder goes as well!

 

 

I think I will change out the carbide boring tool for a good sharp HSS one for final finishing although the carbide one (a cheap Banggood one with a Blue Nanno insert) has left quite a nice finish. But that's a job for tomorrow.

16/04/2020

I finished boring the first cylinder tonight. I decided to stick with a carbide insert boring bar as it was giving such a good finish but what I did do was to move to a larger diameter bar with the same style insert.

 

 

Note the DTI set up with the finger on the rear of the cross-slide. That enables you to very accurately set the depth of cut rather than relying on the cross-slide dial. A sort of poor man's DRO. Something I picked up from watching YouTube. If you want to learn about machining watch the professionals who do it for a living such as Adam Booth, Joe Pie and Keith Fenner etc.

I've got a set of Go-No Go bore gauges so I bored the cylinder until the 0.6875" Go went in but the No Go just wouldn't fit. I'm happy with that.

I did check the bores in the original cylinders and they are actually very good with a good finish and all the bores within a thou or so of each other so whoever bored them did a good job.

18/04/2020

Whilst the cylinder was still in the angle plate I took a cut across the end until it cleaned up. This was to ensure that the end was truly at right angles to the bore which is important for the rear face of the cylinder so that the rear cylinder cover is square to the bore.

This was then all repeated for the second cylinder but with the cylinder block reversed to give a cylinder of opposite hand to that already machined. This meant having to move the angle plate to realign the core hole using the brass bar again.

Once the second cylinder was bored and the end faced off I popped the other cylinder back into the angle plate and cleaned up the other end of the block. I didn't take the cylinder down to final length just yet as there was no guarantee that this end would be square to the bore due to any errors still left in the angle plate. This was repeated for the other cylinder. I'll finish the cylinders to length once the bolting face and port face are finish machined.

 

 

So, I've now got two cylinders with the bore finished, the rear end finish machined and the front end rough machined. Note that I've stamped the rear face of the cylinders so I don't get them reversed! Next job is to return the cylinders to the milling machine to finish the port faces and the bolting faces.

19/04/2020

To ensure that the cylinder bolting face was machined parallel to the bore I found a short length of steel bar that was 0.6875" in diameter, put it in the lathe and polished it with emery cloth until it was a nice sliding fit in the cylinder bore. The cylinder was then set up in the mill vice with the port face against the fixed jaw and the ends of the steel bar resting on two gauge blocks of equal thickness. This would ensure that the cylinder bore was parallel to the bottom of the vice and so the machined bolting face would be perfectly parallel to the bore.

 

 

It's not so critical that the port face is parallel to the bore and a little bit out won't really matter but you do want the cylinder bore to be parallel to the frames.

I used the digital vernier on the quill feed to set the correct depth of cut to bring the bolting face to the correct distance from the bore. I touched the milling cutter onto the top of the steel bar, set the readout to zero and then wound the quill up until it read the distance required, in this case 0.469" (15/32"). I then set the readout to zero again, raised the quill and began taking cuts until the readout said zero again. I did stop 0.010" from the final depth to just check with a depth mic and used that to set the final cut.

 

 

That's the first bolting face machined to size and I'll use the same method to machine the port face and then the other cylinder.

Progress may seem a little slow but at the moment I'm spending the daylight hours out in the garden, mostly repairing one of the greenhouses that has seen better days, so I'm only in the workshop for an hour or so in the evening.

21/04/2020

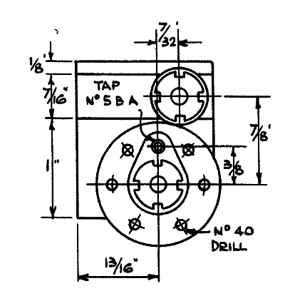
After the port faces and the bolting faces were completed I decided to drill and tap the bolting face for the 6BA fixing bolts or studs, whichever I decide to use.

Like the holes in the frames these were accurately positioned using the DRO in the mill using the port face and the rear end of the cylinder as the datum edges. They were first spotted with a 3mm spotting drill and then drilled No.42 (2.37mm) to a depth of 0.25". The tapping drill for 6BA is actually No.43 (2.3mm) but I hate tapping gunmetal as it's so 'gooey' so i went up a size. The last thing I want to do is break a tap in the cylinders!

 

 

The camera makes the surface of the bolting face look like a ploughed field but it's actually very smooth!

For tapping holes like this I grip the tap with the tap wrench about halfway down the shank and then hold the top part of the tap in the drill chuck just tight enough to guide it without gripping. This ensures that the tap is perfectly aligned with the hole. It also allows the tap wrench to slip if the tap gets too tight or it bottoms out.

 

 

I've pilot drilled the top centre hole in the bolting face as this needs to be drilled for the exhaust passage and then blanked off with a threaded plug. I'll drill and tap for that tomorrow.

22/04/2020

I decided to leave drilling and tapping the exhaust passage until after the ports are cut so carried on and drilled and tapped the mounting holes in the second cylinder block.

When this was done I couldn't resist putting some offcuts from 6BA bolts into the holes and trying a cylinder on the frame. Fortunately, it fitted perfectly. I know it should have done but you never know if you've cocked something up!

 

 

Onto the next job. I can either finish machining the front end of the cylinders to length next or cut the ports. I'll see which I feel like doing tomorrow.

I am undecided whether to fit two dowels to each cylinder as there is a bit of 'wiggle' between the makeshift studs and the holes in the frames. That might disappear of I make some proper studs with a plain portion where they fit through the frames and the dowels wouldn't be needed. I've got a 1/4" Coventry die head with all the BA size chasers so making studs would not be too bad a job.

24/04/2020

I decided to cut the ports next. These would be rough drilled to remove the bulk of the metal and then finished with a 2mm endmill, all being done using the DRO.

Firstly, I did a quick sketch to determine the co-ordinates of the drill holes and then spot drilled the positions. The holes were positioned so that they almost touched but didn't run into each other which could have caused them to wander.

 

 

The holes were then drilled to the full depth of the ports using a 4mm drill for the exhaust port and a 2mm drill for the steam ports.

 

 

28/04/2020

I started machining the exhaust port two nights ago using a 4mm two flute endmill to enlongate the drilled holes into a slot. I then used a 2mm endmill to open it out to the correct dimensions. I wanted to use some 2mm carbide endmills that I have but they have a 3mm shank and I don't have a 3mm collet for the R8 collet chuck that came with the mill. It's one sold by Chester and uses non standard collets so I can't buy extra ones for it unfortunately. I finally found some 3 flute disposable HSS end mills with a 6mm shank so used one of those. The problem with those is though is that they only have very short flutes and were only just long enough to machine the ports to depth. Also it's very difficult to see what you are doing as the job is obscured by the chuck!

Then I got side tracked with a little job for my brother Mick. He bought a part built 3½" gauge Mona at our local auction house with virtually a complete chassis but no connecting rods. He needed a couple of pieces of 1 inch square bronze for the big end bearings so I machined them for him from some 40mm round bronze bar that I had to order specially. Well, it said it was 40mm but it turned out to be 46mm! I parted a couple of discs off the bar using the ML7 and faced them off to 0.25" thick. I thought that parting them off would be a struggle but with one end of the bar in the chuck and the other supported by a fixed steady it went without any drama.

Today was very wet (the first real rain we've had for weeks) so it was a good excuse not to work in the garden and spend the day in the workshop. This afternoon was spent finishing off the big end blanks.

I cut two squares from the discs made the night before using a combination of milling and a slitting saw, cut them in half as the bearings are split and soft soldered them back together. Mick can bore the hole for the crankpins and machine them to final size.

 

 

Then back to machining the ports in the cylinder for Green Arrow. The steam ports were also cut with the 2mm endmill, firstly using it to elongate the drilled holes and finally finishing to size.

 

 

I'm very pleased with how the ports have turned out but the DRO makes the job a doddle really. You just have to concentrate on the numbers and remember to turn the table handles the right way!

I started on the second cylinder tonight and got as far as machining the exhaust port and one of the steam ports. I should get it finished tomorrow, especially if more rain is on the way.

30/04/2020

More progress on the cylinders. I finished the ports on the second cylinder so that's that job done.

I was reading through the build articles and noticed that LBSC said to use 5BA for the cylinder mounting studs but I had tapped the cylinders 6BA as that was what the original cylinders used. I could have left them at 6BA but decided to redrill and tap them to 5BA. I will also have to open out the holes in the frames but that will enable me to make them a closer fit for the studs.

I had another look at the 3D model and sorted out the bolt positions for mounting the inside cylinder which I hadn't done yet. LBSC says to use countersink screws for the top two positions on the LH outside cylinder as bolts or studs would foul the inside steam chest. He then says that studs can be used for all the mountings on the RH outside cylinder as 'nothing is in the way' but in actual fact the top two studs would foul the mounting 'legs' for the inside cylinder so those will have to be countersunk as well.

 

 

Once I had retapped all the mounting holes in the cylinders I mounted them back in the angle plate on the lathe and faced the front ends to the correct length. I did notice a problem with the angle plate in that I hadn't cut the relief slot in the bottom of the Vee quite deep enough and it was preventing the cylinders from seating in the vee properly. Once I had deepened the slot the cylinders fitted perfectly.

The next job was to drill and tap the 1/4 x 40 exhaust passages in the bolting faces and then drill through from the passage to the exhaust port. I think LBSC's idea was to drill through from the bolting face but I opted to do it the other way round and drill through from the exhaust port into the exhaust passage. I think that may have been easier.

I drew it all on CAD first to see what angle the hole needed to be drilled at to miss the ends of the port and finish up intersecting the passage. 30° looked right. I had to drill the passage deeper as well to get it all to line up.

 

 

The cylinder was held in the milling vice with some paper to protect the end faces and then set to an angle of 30° using my Wixey digital angle gauge. It's brilliant for jobs like this.

I couldn't use a conventional drill to start the hole as it had to start in the corner of the port and it would have wandered all over the place. Instead I used a 4mm endmill to make a flat surface. I then switched to a 3mm spotting drill and used that to drill all the way through into the passage. I finished the hole with the 4mm endmill again using it as a drill. I think that was safer than using an ordinary twist drill which might have snatched when it broke through into the passage at an angle.

 

 

I took it all very gently as I didn't want to risk a disaster at this stage of the game and it all went smoothly.

 

 

 

Just the other cylinder to do now.

01/05/2020

It's May already. Where's the time going!

I finished the exhaust passage for the second cylinder and then decided to tackle drilling the steam passages from the ports to the ends of the cylinders. This is probably the worst job of the lot, especially on smaller cylinders, as it's so easy to break a drill doing it.

I did a CAD drawing again to determine the angle that the passages needed to be at which worked out at 12.2° to the port face. I also drew out the end view of the passages to see what size the recess in the end of the cylinder needed to be to take three No.40 (2.5mm) holes.

The cylinder was set up in the mill vice using the digital angle gauge again. This would be plenty accurate enough for this job. The recess was then milled out using a 2.5mm endmill, again one of the three flute disposable ones.

 

 

 

That was enough for one night as it was getting late so the drilling will have to wait until tomorrow.

04/05/2020

I managed to drill all the steam passages without breaking a drill thank goodness but did make one mistake when machining the recess in one end of the second cylinder! My mind drifted and I started thinking of something else and overshot the number on the DRO. No excuse, just a lack of concentration. Fortunately, it's not serious but it's annoying all the same. It's the righthand cylinder in the photo below.

 

 

I think I will make a start on the steam chests next and get them machined to size. There's not a lot to play with on the width of the castings so I'll have to be careful not to take too much off either face. There's plenty of machining allowance on all the other faces though.

On checking the drawings I noticed that the cylinders are drawn as being 0.0625" wider on the centreline of the bore than on the port face. On my 3D model I've actually drawn the cylinder covers too small as I've made the cylinders the same width as the steam chests.

 

 

Back in 2008 my brother and I went to the Churnet Valley Railway to see the real Green Arrow and I took quite a few photos. On the real locomotive the cylinders are the same width all the way up.

 

 

So, I think I'm going to follow the full size loco and keep the cylinders as I've machined them so far. The steam chests will then be the same width as the running boards as per the full size loco (or that's how it appears from the photo). At the moment the cylinders are about 1.430 wide so they will finish up a little bit narrower than is called for by the drawing. I may have to reduce the diameter of the old cylinder covers to match, assuming I do reuse them.

I'm not sure what the idea was of making the steam chests narrower on the LBSC design (maybe to fit behind the running board valance?) but none of the locos that I have seen are done like that so I'm obviously not alone in deciding to ignore the drawing!

As a bit of an aside, I was thinking the other day about port and steam passages. LBSC always used to extol the virtues of large ports and steam passages yet his Ayesha has tiny ports and just one drilling of about 3/32" or 1/8" diameter (can't remember now) and still performs very well.

 

 

LBSC was obviously happy with Ayesha otherwise I am sure he would have modified the cylinders if he thought she needed it. The ports were cut with an endmill held at an angle, hence the half moon shape. They look a bit rough though! The valves are round.

 

 

I think LBSC must have refaced the port faces at some time as there is very little wear evident on them. I doubt that they are 'as first machined'considering the number of miles that the loco must have ran.

 

< Back to Page 1 ............Next Page >